

Сферы применения
• В едущий прибор в системах энергетического менеджмента (например, ISO 50001)• Измерение, мониторинг и контроль электрических параметров в распределительных установках
• Учет параметров электропотребления
• Контроль качества электроэнергии (гармоники, кратковременные прерывания, переходные процессы, пусковые токи и т.д.)
• Датчик измеренных значений для инженерных систем управления или ПЛК
• Задачи управления в зависимости от достигнутых измеренных или предельных значений
• Оптимизация пиков нагрузки
• Шлюз Ethernet для подчиненных точек измерения
• Удаленный контроль
Основные характеристики
Качество электроэнергии/электросети
• Анализ высших гармоник до 40-ой гармоники• Асимметрия
• Коэффициент искажения THD-U / THD-I
• Измерение нулевой/прямой/обратной последовательности фаз
• Кратковременные прерывания (от 20 мс)
• Измерение и сохранение в памяти переходных процессов (> 50 мкс)
• Пусковые процессы
• Функция записи сбоев
• Индикация вращающегося поля
Монтаж на DIN-рейке (6TE):
Простая и оптимизированная, с точки зрения затрат, установка
• Монтаж на 35 мм DIN-рейке• Очевидные преимущества при установке в распределительном шкафу благодаря низким затратам на монтаж и подключение
• Простая установка в низковольтные главные распределительные щиты, использование в машиностроении, в монтажных распределительных шкафах инженерных систем зданий и сооружений, а также в вычислительных центрах
Современная архитектура связи с использованием Ethernet
• Быстрая, оптимизированная с точки зрения затрат и надежная связь благодаря интеграции в существующую архитектуру Ethernet• Интеграция в системы ПЛК и АСУЗ
• Повышенная гибкость благодаря использованию открытых стандартов
• Возможен одновременный опрос интерфейсов
Шлюз Ethernet-Modbus
• Простая интеграция приборов Modbus-RTU в архитектуру Ethernet с помощью функции Modbus-Gateway• Возможно подключение приборов с идентичным форматом данных и совпадающим функциональным кодом через Modbus-RTU
Высокоскоростной Modbus
• Быстрый и надежный обмен данными через интерфейс RS485• Скорость до 921,6 кБ/с
Графическое программирование
• Обширные возможности программирования на приборе, 7 программ одновременно (функции ПЛК)• Программирование исходного кода Jasic®
• Ф ункциональные расширения, выходящие за рамки чистых измерений
• Готовые приложения из библиотеки Janitza
Встроенный Web-сервер и email-клиент
• Удобство получения информации через email и Web-сервер прибора• Доступ к функциональному Web-серверу прибора через web- браузер
• Получение оперативных и архивных данных, а также графиков событий и т. п. непосредственно с Web-сервером
Большая память результатов измерений
• 128 Мб• 5,000,000 сохраненных значений
• Срок сохранения в памяти до 2 лет
• Свободная конфигурация записи в память
Размерные чертежи
Все размеры указаны в миллиметрах
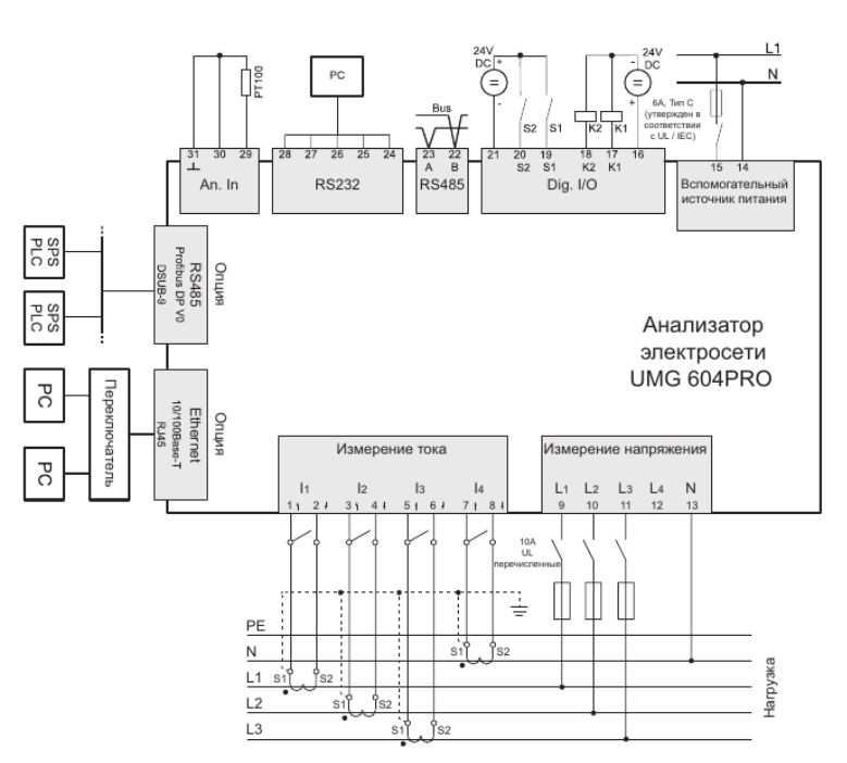
Типовое соединение

Обзор прибора и технические данные









Сферы применения
• Контроль качества электроэнергии• Шлюз Ethernet для подчиненных точек измерения
• Анализ электрических помех при проблемах в сети
• Генерация отчетов по стандартам качества электроэнергии
• Задачи управления в зависимости от достигнутых измеренных или предельных значений
• Датчик измеренных значений для инженерных систем управления или ПЛК
Основные характеристики
Качество электроэнергии/электросети
• Постоянный контроль качества электросети (напр., EN 50160)• Анализ высших гармоник до 63 гармоники, четные / нечетные
• Промежуточные гармоники
• Коэффициент искажения THD-U / THD-I
• Измерение нулевой/прямой/обратной последовательности фаз
• Измерение резких перепадов (фликеров) в соответствии со стандартом DIN EN 61000-4-15
• Измерение и сохранение в памяти переходных процессов (> 50 мкс)
• Регистрация кратковременных прерываний (от 20 мс)
• Контроль пусковых процессов
• Регистратор событий ограниченных значений
Мощность
• 4 входа измерения напряжения и 4 входа измерения тока• Учет и оцифровка эффективных значений (True-RMS) токов и напряжений (15 – 440 Гц)
• Непрерывное сканирование входов для измерения напряжения и тока с частотой 20 кГц
• Регистрация более 2 000 значений за цикл измерения (200 мс)
• Для измерения событий тока возможно создание номинального тока
• Четвертый вход для измерения тока может использоваться для измерения тока в нейтральном проводе или в PE-проводе или для измерения потенциального падения потенциала между N и PE
• Большая память результатов измерений (количество сохраняемых данных = 5 000 000)
• Простая процедура дистанционного опроса значений измерений через собственный Web-сервер прибора
• Все интерфейсы могут использоваться одновременно
• Одновременный доступ сразу к 4 портам
Масштабная отчетность с помощью GridVis®
• Автоматическое создание и отправка отчетов о качестве электроэнергии• Стандартные отчеты о качестве электроэнергии: EN 50160, EN 61000-2-4, IEEE519
• Отображение кривой ITI (CBEMA)
• Свободно определяемый график создания отчетов
Современная архитектура связи с использованием Ethernet
• Быстрая, оптимизированная с точки зрения затрат и надежная связь благодаря интеграции в существующую архитектуру Ethernet• Интеграция в системы ПЛК и АСУЗ
• Повышенная гибкость благодаря использованию открытых стандартов
• Возможен одновременный опрос интерфейсов
Шлюз Ethernet-Modbus
• Простая интеграция приборов Modbus-RTU в архитектуру Ethernet с помощью функции Modbus-Gateway• Возможно подключение приборов с идентичным форматом данных и совпадающим функциональным кодом через Modbus-RTU
Управление аварийными сигналами
• Графическое программирование или программирование исходного кода Jasic®• Возможность использования всех значений измерений
• Любая математическая обработка
• Индивидуальное распространение путем отправки по электронной почте, подключения цифровых выходов, описания адресов Modbus и т.п.
• Приложение Watchdog
• Дальнейшие функции управления аварийными сигналами через службу управления аварийными сигналами GridVis®-Service
Высокоскоростной Modbus
• Быстрый и надежный обмен данными через интерфейс RS485• Скорость до 921,6 кБ/с
Графическое программирование
• Обширные возможности программирования на приборе, 7 программ одновременно (функции ПЛК)• Программирование исходного кода Jasic®
• Функциональные расширения, выходящие за рамки чистых измерений
• Готовые приложения из библиотеки Janitza
Встроенный Web-сервер и email-клиент
• Удобство получения информации через email и Web-сервер прибора• Доступ к функциональному Web-серверу прибора через web- браузер
• Получение оперативных и архивных данных, а также графиков событий и т. п. непосредственно с Web-сервера
Большая память результатов измерений
• 128 Мб• 5,000,000 сохраненных значений
• Срок сохранения в памяти до 2 лет
• Свободная конфигурация записей со стороны пользователя

Размерные чертежи
Все размеры указаны в миллиметрах
Типовое соединение
Обзор прибора и технические данные







